氣動V型球閥概述:
氣動V型球閥是一種球芯為V型結構的調節球閥,閥芯是1/4球殼,開有V型缺口,
流通能力大,具有剪切力,能關閉嚴密等特點。氣動V型球閥根據V型球芯與管道形成的V型角度,
隨著球的旋轉,可使用中間開度面積的變化進行流量調節,
并可切斷流體中夾雜的雜質而關閉,適用于紙漿、砂漿、粘性流體的控*。

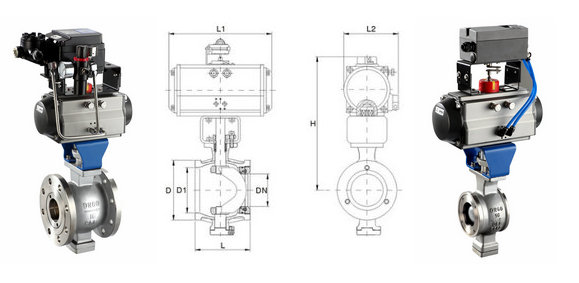
氣動法蘭V型球閥 氣動對夾式V型球閥
氣動V型調節球閥應用:
氣動V型球閥具有良好的切斷性能和調節性能,廣泛適用于控*紙漿、污水、含有纖維和固體顆粒
懸濁介質以及高溫蒸汽、干氣體等介質,特 一般情況下V型球閥都是單密封球閥,不適合用來雙向使用。
氣動V型球閥特點:
【氣動V型球閥工作原理動態圖】
1,氣動V型調節球閥有近似等百比的固有流量特性及直線特性;采用雙軸承結構,
啟動扭矩小,具有極好的靈敏度和感應速度;
2,氣動V型球閥球芯上帶有V型切口,在關閉時,V型缺口與硬密封閥座產生較強剪切力,
可將含有纖維性介質切斷,并有效防止球芯卡死;
3,氣動V型調節球閥具有一個V型閥芯結構,即使在小流量或高粘度介質的工況中,
也可在整個量程范圍內,保證控*的*準性和*確性;
4,氣動V型球閥一般與閥門定位器及其它附件配套使用,適用于各種調節場合,
額定流量系數大,調節性能靈敏,,可調范圍大可豎臥安裝。
氣動V型調節球閥技術參數:
公稱通徑 |
DN25~DN300(mm) |
公稱壓力 |
PN1.0、1.6、2.5、6.4MPa |
連接方式 |
法蘭式、對夾式 |
驅動形式 |
壓縮空氣4-7bar,可帶手動裝置 |
溫度范圍 |
軟密封:-30~180℃;硬密封:-40~450℃ |
閥芯結構 |
V字型切口球芯 |
密封材料 |
增強聚四氟乙烯 對位聚苯 金屬密封 |
閥體材質 |
碳鋼WCB、不銹鋼304、316、316L |
作用形式 |
單作用(彈簧復位)、雙作用(氣開氣關) |
控*方式 |
開關兩位切斷、*準調節型4-20mA模擬信號(均可選防爆) |
氣動V型調節球閥作用:
氣動V型球閥按密封性能分為軟密封和硬密封,軟密封一般使用低壓常溫場所,
而硬密封可應用于常溫及高溫高壓管路中。根據控*方式分為調節型和開關切斷型,
開關型型按作用形式可分為單作用和雙作用式,而調節型應當選用雙作用式,
單作用執行器的獨特優點是一旦氣源失氣或管道故障的情況下,
氣動V型球閥將按控*系統的要求自動復位到閥門關閉或開啟的狀態。
相關產品: 電動V型球閥 氣動調節球閥 氣動O型切斷球閥